Voliteľné výbava - musí byť objednaná so strojom. Nie je možné inštalovať dodatočne.
Rozsah dodávky
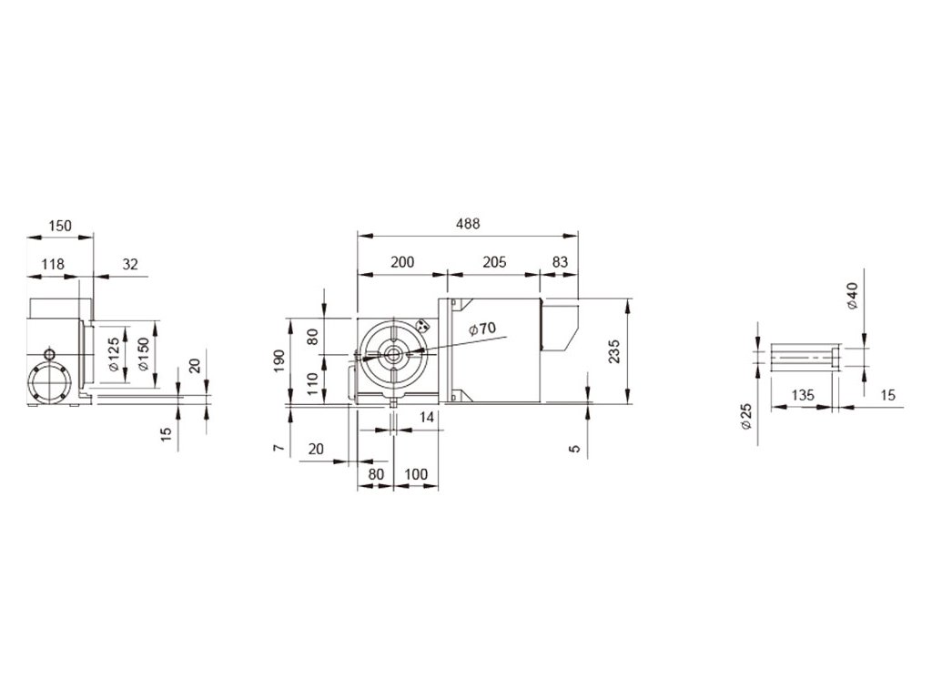
- Horizontálne-vertikálny kruhový deliaci stôl Ø 125 mm
- Trojčeľusťové skľučovadlo Ø 100 mm
- Koník s pinolou MK 2
- Vrátane montáže
Buďte prvý, kto napíše príspevok k tejto položke.
Pridať komentár
