Nosný vozík posuvnej brány 70 mm ZABI
nosný vozík bez upínací desky do profilu 70x70
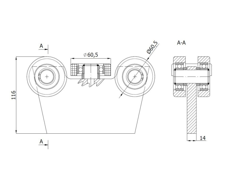
- nosný vozík bez upínacej dosky
- päťkolieskový
- Prípustné zaťaženie: 400 kg
- Rozmery profilu: 70x70x4 mm
- Priemer rolne: ø60,5
- Typ rolien: 5 x polyamid
| Kategória: | Nosné vozíky bez upínacích dosiek |
|---|---|
| Hmotnosť: | 2 kg |
| EAN: | 5903636537269 |
| Nosnost: | 7 |
| Vhodné pro profil: | 7 |
| Počet koleček: | 5 |
| Kyvný: | ne |
| Regulace výšky: | ne |
| Typ rolny: | plastová |
| Výška profilu (A): | 7 |
| Šířka profilu (B): | 7 |
| Tloušťka profilu (C): | 4 |
| Průměr koleček: | 6,5 |
Buďte prvý, kto napíše príspevok k tejto položke.
Pridať komentár
